Будни: с 9:00 – 18:00
Заказать звонок
00
Каталог товаров
Каталог товаров
Каталог товаров

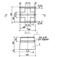
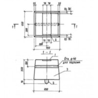
Фундаменты под панели оград Серия 3.818.9-2

0Избранное0СравнениеОформить заказ