Будни: с 9:00 – 18:00
Заказать звонок
00
Каталог товаров
Каталог товаров
Каталог товаров

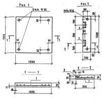
Ступени Серия 1.220.1-3м

0Избранное0СравнениеОформить заказ