Будни: с 9:00 – 18:00
Заказать звонок
00
Каталог товаров
Каталог товаров
Каталог товаров

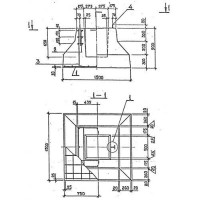
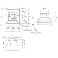
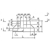
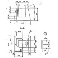
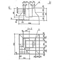
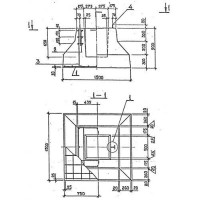
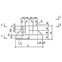
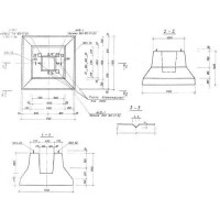
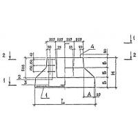
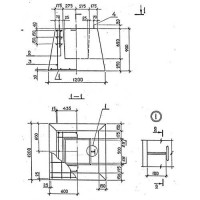
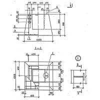
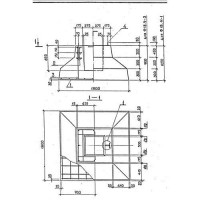
Фундаменты цельные под колонны (Ф) Серия 1.020-1/87 ( 1.020.1-7, 1.020-1/83, ИИ 04-1, 1.020.1-3пв )

0Избранное0СравнениеОформить заказ