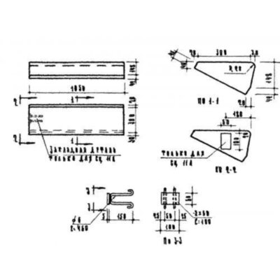
Размеры:
- Длинна: 1050 мм.
- Ширина: 350 мм.
- Высота: 190 мм.
- Вес: 115 кг.
- ГОСТ, Серия: Серия ИИ 03-02 скачать
- Объем бетона: 0,052 м3
- Геометрический объем: 0,0698 м3
- Цена: договорная
Стандарт изготовления изделия: Серия ИИ 03-02
Ступени СЦ 11 являются унифицированными материалами, широко применяемыми в современном строительстве. Конструкции имеют прямоугольную форму с треугольным поперечным сечением. Изделия отличаются высоким качеством поверхностей, обладающих гладкой и ровной структурой.
Применяются унифицированные ступени в сфере гражданского строительства при возведении жилых и общественных зданий. Конструкции используются в качестве элементов сборных лестниц на цокольных этажах и подвалах. Ступени укладываются в единый лестничный марш, позволяющий осуществлять людям комфортное перемещение между различными по высоте частями здания, между этажами и при входах в подъезд. Элементы обладают высокой прочностью и устойчивы к истираемости при длительном использовании, что в значительной степени продлевает эксплуатационный срок пролетов. При расчете и проектировании конструкций учитывались рекомендации СНиП II-B.1-62. Изделия производятся с высоким качеством лицевых поверхностей и не нуждаются в дополнительной отделке фактурным слоем.
Маркировочные обозначения
Ориентироваться в номенклатурных рядах и на складских территориях позволяют маркировочные знаки, наносимые на строительные материалы масляной краской. Совокупность символов СЦ 11 имеет следующую расшифровку:
1. СЦ - тип конструкции (СЦ - ступень цокольная (СП - ступень подвальная);
2. 11 - длина (дм).
Дополнительно может прописываться буквенный индекс «а», обозначающий наличие закладных деталей. Запрещено произвольно изменять маркировки, так как это может привести к возникновению ошибок при выборе строительных конструкций. Дополнительно на поверхности элементов могут прописываться дата производства, масса и штамп отдела технического контроля.
Особенности производства
Узнать обо всех подробностях производства ступеней СЦ 11, требованиях к материалам и условиях транспортировки, можно из нормативного документа Серии ИИ 03-02. По условиям регламента для достижения высокого качества готовой продукции помимо щепетильного контроля технологического процесса, важно использовать стальные опалубочные формы. Они позволяют гарантировать точность геометрических пропорций, представленных на рабочих чертежах. В качестве главного сырья для производства конструкций используется тяжелый бетон марки М200 по прочности на сжатие. Физико-химические показатели бетона, такие как водонепроницаемость и морозостойкость, подбираются индивидуально под условия конкретного типового проекта исходя из особенностей климата.
Конструкции являются монолитными бетонными блоками, не содержащими армирования. При наличии закладных элементов для их производства используется полосовая сталь. Для продления эксплуатационного срока металлические составляющие необходимо покрывать противокоррозионными составами.
Производство конструкций осуществляется без облицовочного мозаичного слоя с гладкой лицевой поверхностью, качество которой необходимо сверять с требованиями ГОСТ 13015. Перед поставкой конечному потребителю изделия направляются на приемосдаточные испытания, проводимые по методам, изложенным ГОСТ 8829-58.
Транспортировка и хранение
Складирование и транспортировка ступеней СЦ 11 должны осуществляться с соблюдением техники безопасности. Укладку следует производить по схемам, исключающим вероятность механических повреждений. Важно использовать инвентарные деревянные подкладочные материалы. Погрузочно-разгрузочные работы должны вестись специализированной техникой.
Ступени балкона и цоколя СЦ 11 отзывы


