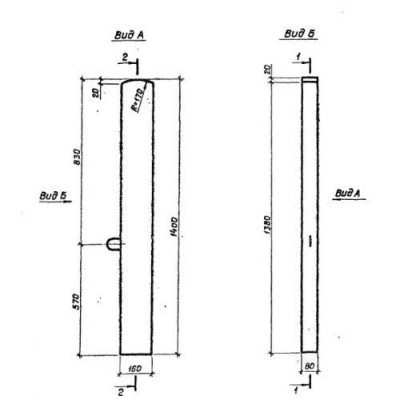
Размеры:
- Длинна: 1400 мм.
- Ширина: 160 мм.
- Высота: 80 мм.
- Вес: 45 кг.
- ГОСТ, Серия: Серия 3.820-13 скачать
- Объем бетона: 0,018 м3
- Геометрический объем: 0,0179 м3
- Цена: договорная
Стандарт изготовления изделия: Серия 3.820-13
Сигнальный столбик С 14 сборное железобетонное изделие прямоугольной формы. Основная задача сигнального столбика обеспечение видимости границ обочин и переездных сооружений на внутрихозяйственных дорогах. Рабочая документация по изготовлению изделия содержится в Серии 3.820-13. Сигнальный столбик имеет массу 45 кг., это позволяет зафиксировать его в почве без особого труда, но при этом он способен выдерживать нагрузки различного характера. Монтаж столбика происходит в грунт при помощи заглубления или специальных анкерных приспособлений.
Расшифровка маркировки
Маркировочное обозначение железобетонного столбика записывается при помощи букв и цифр. Условным обозначением изделие прописывается в проектных чертежах и документах. Маркировка С 14 расшифровывается:
1. С буквенное обозначение сигнального столбика;
2. 14 - длина, выражена в дм.
Маркировка наносится на каждое изделие при помощи трафарета и черной несмываемой краски. Помимо маркировки на столбик наносят дату выпуска, массу, штамп завода производителя.
Материалы и производство
Изготовление сигнального столбика запроектировано из тяжелого бетона с классом по прочности на сжатие В30, это обеспечивает долговременную эксплуатацию изделия. Марка бетона по водонепроницаемости берется не ниже W6, это защищает столбик от подмытия. Марка бетона по морозостойкости назначается исходя из климатических условий эксплуатации по ГОСТ 26633-85. В качестве рабочей арматуры принята горячекатаная сталь класса AI по ГОСТ 5781-82*. Арматурный каркас сваривается при помощи контактной точечной сварки. Для удобства монтажа столбики изготавливают с подъемными петлями. Все металлические части проходят антикоррозийную обработку.
Готовый столбик, как и все железобетонный изделия, должен отвечать всем требованиям по прочности и внешнего вида. Тщательно осматривается внешний вид столбика, на бетонной поверхности не допускаются трещины и ржавые маслянистые пятна. Не допускаются раковины и бетонные наплывы. Поверхность должна быть гладкой, готовой к покраске. Проверяются показатели бетона на прочность, соответствие арматуры и подъемных петель чертежам, прочность сварных соединения, толщина защитного бетонного слоя. К заказчику изделие поставляется с документом, подтверждающим качество изделий. В техническом паспорте прописывается количество изделий в партии, дата выпуска партии, масса одного изделия, а также прописывается марка бетона на прочность, морозостойкость и водонепроницаемость.
Транспортировка и хранение
Сохранность и долговечность продукции обеспечивается ее правильным хранением и транспортированием. Хранятся сигнальные столбики на складе готовой продукции или специально подготовленной площадке с плотной выровненной поверхностью. Столбики укладывают в невысокие штабеля. Высота штабеля не должна превышать 1,5 метра. Под нижний ряд и между изделиями подкладываются деревянные инвентарные подкладки, которые предотвращают изделия от механических повреждений. Толщина подкладки должна быть не меньше высоты монтажных петель. К изделиям должен быть обеспечен доступ специальной техники, не должно быть препятствий для захвата и подъема каждого изделия. Сигнальные столбики разрешается перевозить автомобильным и железнодорожным транспортом, в положении котором они хранятся. При транспортировании они должны быть зафиксированы в кузове транспортного средства. Запрещается разгружать изделия со свободным их падением. Во время хранения, транспортирования и монтажа необходимо соблюдать технику безопасности.
Сигнальные столбики С 14 отзывы


