Размеры:
- Длинна: 1900 мм.
- Ширина: 1900 мм.
- Высота: 500 мм.
- Вес: 3625 кг.
- ГОСТ, Серия: Серия 1.220.1-3м скачать
- Объем бетона: 1,45 м3
- Геометрический объем: 1,805 м3
- Цена: договорная
Стандарт изготовления изделия: Серия 1.220.1-3м
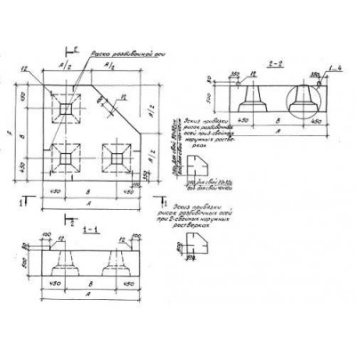
Ростверки 2Ф 3-32 (1.220.1-3м) представляют собой высокопрочные строительные унифицированные материалы. По внешнему виду элемент имеет прямоугольную форму с размещенными на поверхности сквозными отверстиями, количество которых зависит от типоразмера изделия. Отверстия имеют трапециевидную форму поперечного сечения.
Применяются унифицированные ростверки при строительстве общественных зданий и сооружений, возводимых на вечномерзлых грунтах. Изделия разработаны для колонн сечением 320х320 мм и 400х400 мм. Элементы отличаются высокой прочностью, надежностью и долговечностью. При разработке строительных материалов учитывались требования и рекомендации действующих нормативных документов, среди которых СНиП II-6-74. Изделия рассчитаны под ветровую нагрузку с 1 по 3 районов, для снеговой нагрузки с 1 по 4 районы. Предел огнестойкости конструкции составляет 2 часа.
Маркировочное обозначение
Быстро найти нужное строительные материалы позволяет наличие маркировочных знаков, наносимых на конструкции масляной краской, отражающие ключевые особенности материалов. Совокупность символов 2Ф 3-32 (1.220.1-3м) имеет следующую расшифровку:
1. 2 - тип растирка;
2. Ф - тип конструкции - ростверк;
3. 3 - количество свай, на которое рассчитано изделие;
4. 32 - сечение сваи.
Запрещено вносить произвольные корректировки в маркировки, так как это может спровоцировать возникновение ошибок при подборе строительных материалов под нужды конкретного типового проекта. Дополнительно следует отражать массу, дату производства и штамп отдела технического контроля.
Особенности производства
Для изготовления ростверков 2Ф 3-32 (1.220.1-3м) следует применять стальные опалубочные формы в соответствии с требованиями Серия 1.220.1-3м. Это позволит гарантировать высокое качество готовой продукции и сохранение точных геометрических пропорций. Главным материалом выступает тяжелый бетон, имеющий класс по прочности на сжатие В25 с морозостойкостью F150.
Для армирования конструкций используются плоские каркасы и сетки, собираемые с помощью контактной точечной сварки, а также отдельные стержни класса AIII диаметром 10мм, отвечающие требованиям ГОСТ 5781-82. Для производства каркасов применяется сталь класса AIII различного диаметра, а также холоднотянутая проволока класса Вр-1 по ГОСТ 6727-80 диаметром прутков 5 мм. Для производства строповочных петель используется сталь класса AI диаметром 10 и 16 мм исходя из типоразмера конструкции.
Перед поставкой по конечному потребителю элементы направляться на приемосдаточные испытания, результаты которых фиксируются в паспортах качества, отражающих пригодность изделий к эксплуатации и соответствие требованиям нормативных документов. Не допускается наличие оголенного армирования, сколов и трещин на поверхности конструкций. Все некондиционные элементы отбраковываются и складируются отдельно. Следует тщательно контролировать все стадии производственного процесса для получения строительных материалов высокого качества.
Транспортировка и хранение
Складирование и транспортировка ростверков 2Ф 3-32 (1.220.1-3м) должны осуществляться с соблюдением правил по технике безопасности. Укладка должна производиться в специальное положение по схемам, исключающим вредность механических повреждений конструкций. Для осуществления погрузочно-разгрузочных работ следует использовать специализированную технику, производя подъём за строповочные петли. Важно надежно фиксировать конструкции в кузове транспортного средства до начала движения.
Ростверки 2Ф 3-32 (1.220.1-3м) отзывы


