Размеры:
- Длинна: 960 мм.
- Ширина: 960 мм.
- Высота: 1550 мм.
- Вес: 950 кг.
- ГОСТ, Серия: Альбом РК 2201-82 скачать
- Объем бетона: 0,38 м3
- Геометрический объем: 1,4285 м3
- Цена: договорная
Стандарт изготовления изделия: Альбом РК 2201-82
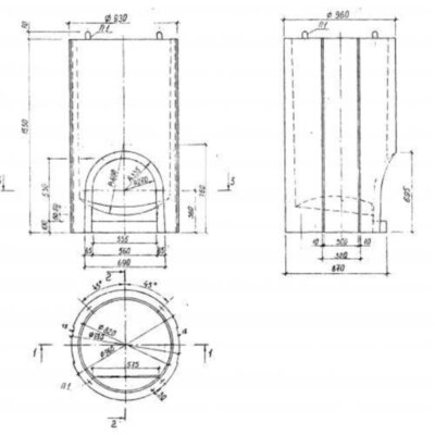
Рабочие камеры ВД 8 представляют собой цилиндрические изделия, имеющие ряд конструктивных особенностей, одной из которых является наличие монолитного днища. Запроектированные в Альбоме РК 2201-82 строительные элементы могут иметь отверстия, круглой или полукруглой формы, зависящие от типоразмера конструкции. Для упрощения погрузочно-разгрузочных работ и облегчения монтажа в теле изделия предусмотрено наличие четырех строповочных петель.
Применяются рабочие камеры при строительстве подземных канализационных водосточных сооружений. Допускается эксплуатация при обустройстве водопроводных и газовых сетей. Конструкции размещаются в грунте и оборудуются трубопроводом, по которому в последующем может свободно перемещаться жидкость. Благодаря особому строению днища вода в колодезном сооружении не застаивается. Наличие у некоторых моделей специальных ниш дает возможность обустраивать дополнительные отверстия для трубопровода, особенно популярно это среди колодезных сооружений с присоединением. При расчете и разработке элементов учитывались требования Альбома СК 2201-70. Конструкции рассчитаны на временную нагрузку по схемам Н30 и НК80. Максимальная величина засыпки составляет 4 метра. Колодцы с использованием камер марок КЛ и ВС допускается погружать на глубину до 12 метров.
Маркировочные обозначения
Знаки, отражающие ключевые характеристики элементов, помогают быстро подобрать нужные строительные материалы. Нанесение символов должно происходить масляной краской, устойчивой к температурным колебаниям и вредоносному воздействию атмосферных осадков. Совокупность знаков ВД 8 имеет следующую расшифровку:
1. ВД - тип конструкции - рабочая камера (КЛ - для канализации, ДК - дворовой канализации, ВС - водосточная, ВД - дождеприемная, ВГ - водопроводная и газопроводная);
2. 8 - порядковый номер, характеризующий величину внутреннего диаметра.
Запрещено произвольно изменять маркировочные символы. Допускается отражение массы, даты изготовления и штампа отдела технического контроля.
Особенности производства
Разобранный поэтапно процесс производства рабочих камер ВД 8 прописан в Альбоме РК 2201-82. Согласно требованиям нормативного документа в качестве основного материала следует использовать бетон марки М300. Физико-химические показатели бетона, такие как водонепроницаемость и морозостойкость, должны составлять соответственно F100 и W6. Для сохранения точных геометрических пропорций конструкций рекомендуется производить формовку в металлической опалубке.
Армируются рабочие камеры объемными каркасами, собираемыми на специальных станках, и имеющими вырезы под будущие отверстия. Нижняя часть монолитного изделия, днище, армируется сетками. При сборке металлических составляющих применяются сварные клещи. Используется сталь классов AI и AIII по ГОСТ 5781-61 и проволока класса BI по ГОСТ 6727-80. Допускается применение класса BpI. Подъемные петли изготавливаются из стали класса AI марки ВСт3пс2 и ВСт3пс2.
Транспортировка и хранение
Перевозка унифицированных рабочих камер ВД 8 должна осуществляться с безукоризненным соблюдением предписаний, изложенных в Альбоме РК 2201-82. Укладка должна осуществляться в рабочем положении с использованием в качестве опоры подкладочных материалов, исключающих продольные и поперечные смещения. При осуществлении погрузочно-разгрузочных работ важно использовать специализированную технику, гарантирующую соблюдение величины наклона строп под углом не менее 45 градусов.
Рабочие камеры ВД 8 отзывы


