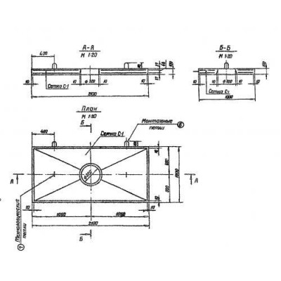
Размеры:
- Длинна: 2100 мм.
- Ширина: 1000 мм.
- Высота: 100 мм.
- Вес: 500 кг.
- ГОСТ, Серия: Серия 3.820-9 скачать
- Объем бетона: 0,2 м3
- Геометрический объем: 0,21 м3
- Цена: договорная
Стандарт изготовления изделия: Серия 3.820-9
Плиты упорные ПУ 2,5-6,0 – это строительные элементы, которые изготавливаются по Серии 3.820.9 и внешне представляют собой крупные блоки. Областью применения этих изделий являются напорные трубопроводы с рабочим давлением не превышающим 6 кгс/см2 стыки которых, не рассчитаны на восприятия усилий, направленных вдоль оси трубопровода. Плиты упорные служат для передачи на грунт сдвигающих усилий, возникающих от воздействия внутреннего давления в трубопроводе на закрытую задвижку. Железобетонные изделия обладают повышенными прочностными характеристиками, так как при эксплуатации они подвергаются воздействию агрессивной внешней среды.
Расшифровка маркировки
Железобетонные изделия маркируются согласно Серии 3.820-9. Рассмотрим более подробно маркировку плиты ПУ 2,5-6,0:
1. ПУ – плита упорная;
2. 2,5 – диаметр условного прохода трубопровода в дециметрах;
3. 6,0 – рабочее давление в трубопроводе в кгс/см2.
На элементе принято наносить отметки, не только о маркировке, но и о дате изготовления и указать предприятие-изготовителя. Краска для нанесения маркировочных обозначений должна иметь в составе компоненты, которые способствуют высокому сопротивлению атмосферным осадкам, влагоустойчивости, а так же устойчивости к воздействиям вредоносных факторов внешней среды. Также обязательно должен быть указан штамп отдела контроля качества.
Основные характеристики и изготовление
Изготовление железобетонных конструкций предусмотрено по поточно-агрегатной технологии с выполнением всех операций на специализированных постах с последующим прогревом изделий в пропарочных камерах.
При изготовлении плит упорных применяются только высококачественные материалы согласно Серии 3.820.9. Материалы должны отвечать требованиям действующих стандартов. Для производства изделий используется гидротехнический бетон по несущей способности марки 200. Для изделий данного типа рекомендуется применять арматурную сталь класса A-III. Монтажные петли должны изготавливаться по рабочим чертежам и в качестве арматурной стали применять горячекатаную гладкую арматурную сталь класса A-I. Элементы армирования обязательно покрываются специальными защитными оболочками, которые оберегают их от коррозии и преждевременного разрушения. Готовые изделия должны быть приняты отделом технического контроля предприятия-изготовителя. Проверка осуществляется согласно с техническими нормативами. Проверяется качество поверхности, на изделии не должно быть трещин, равномерно распределена бетонная смесь, которой покрыты арматурные элементы и фактические размеры должны обязательно соответствовать проектным.
Приемка готовой продукции осуществляется партиями и все изделия должны быть изготовлены по одной технологии, из материалов одного качества. Для оценки качества плит упорных должны производиться выборочные испытания изделий согласно ГОСТ 8829-66.
Транспортировка и хранение
Плиты упорные должны храниться в условиях оборудованных складских площадок. Изделия устанавливаются невысокими штабелями по пять штук. Маркировка плит всегда должна хорошо просматриваться. Необходимо четко соблюдать правила транспортировки продукции, т.к. нарушение этих правил приводит к порче изделия, потере заложенных производителем свойств и невозможности его дальнейшей эксплуатации. Таким образом, при перевозке изделий, важно их хорошо укрепить специальными фиксаторами для полного предохранения от смещений. Обязательно должен быть оборудован подъездной путь, это позволяет обеспечить оперативную погрузку и разгрузку железобетонных изделий.
Плиты упорные ПУ 2,5-6,0 отзывы


