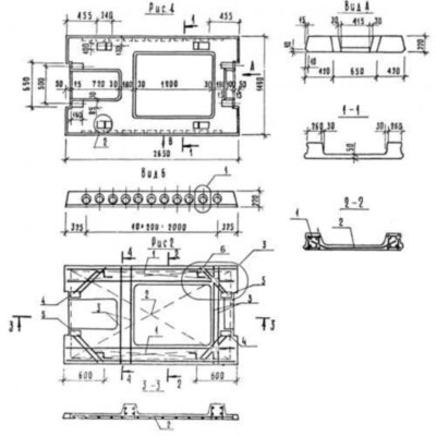
Размеры:
- Длинна: 2650 мм.
- Ширина: 1490 мм.
- Высота: 220 мм.
- Вес: 1500 кг.
- ГОСТ, Серия: Серия 1.041.1-2 скачать
- Объем бетона: 0,6 м3
- Геометрический объем: 0,8687 м3
- Цена: договорная
Стандарт изготовления изделия: Серия 1.041.1-2
Плита ребристая сантехническая ПРС 26-15-4 т (1.041.1-2) представляет собой высокопрочную железобетонную прямоугольную конструкцию, на торцевых сторонах которой расположены несквозные круглые пустоты. В верхней части плиты имеется прямоугольное углубление, именно оно предает конструкции в поперечном сечении вид буквы «П». Для образования диска перекрытия в теле данного строительного элемента запроектированы закладные детали. Основные функции данных изделий - это покрытие зданий, пропуск вертикальных стояков, вентоблоков, сантехнических коммуникаций, равномерное распределение нагрузки от выше установленных конструкций. Регламентировано их использовать в общественных, вспомогательных, производственных зданиях промышленных предприятий, возводимых в обычных условиях с нормальной влажностью, с неагрессивной газовой средой, при условии постоянного воздействия температуры не более +50 градусов.
Сантехнические плиты ПРС 26-15-4 т (1.041.1-2) относятся к изделиям третьей категории трещиностойкости, предел их огнестойкости составляет не менее одного часа.
Расшифровка маркировки
Марки железобетонных изделий состоят из буквенных и цифровых шифров, объединенных в единую систему согласно ГОСТ 13015.2-81. Маркировка ПРС 26-15-4 т (1.041.1-2) означает, что:
1. ПРС - плита ребристая сантехническая;
2. 26 - длина (дм);
3. 15 - ширина (дм);
4. 4 - нагрузка кгс/м2;
5. т - тип бетона.
На всех поставляемых потребителю плитах должна быть обозначена важная информация: марка изделия и производителя, дата выпуска, масса в кг, печать ОТК. Надписи следует наносить трафаретами и штампами краской устойчивой к истиранию.
Материалы и производство
Плиты ребристые сантехнические ПРС 26-15-4 т (1.041.1-2) следует изготавливать по агрегатно-поточной технологии в соответствии с требованиями в Серии 1.041.1-2. В основе конструкций может лежать тяжелый так и легкий бетон на пористых заполнителях, с марками в диапазоне от М200 до М400. При бетонировании особое внимание должно уделяться заполнению бетонной смеси опорных зон.
Высокая прочность плит обусловлена предварительно напрягаемой арматурой, которая повышает устойчивость к появлению трещин, снижает вес готового изделия. В качестве напрягаемой арматуры запроектирована сталь класса: АIV, АтV, а в случае их отсутствия - АтIVс, АV. Материал сеток и каркасов - сталь класса АIII и обыкновенная проволока класса ВрI. Для удобства строповки изделий в процессе бетонирования в них закладывают монтажные петли из стали АI.
Готовые конструкции принимаются партиями техническим контролем предприятия-изготовителя. Изделия подвергаются испытаниям по показателям прочности, раскрытия трещин, жесткости по ГОСТ 8829-77. Так же оценивается их внешний вид, толщина защитного слоя бетона до арматуры, точность геометрических размеров. По итогам приемки партия плит сантехнических, или часть партии, сопровождается паспортами качества установленного образца. Не допускается поставка конструкций, чья отпускная прочность бетона не удовлетворяет указания ГОСТ 13015.0-83.
Транспортировка и хранение
Плиты ребристые сантехнические ПРС 26-15-4 т (1.041.1-2) следует складировать на заранее спланированных площадках и складах. Изделия укладываются в рабочем положении в штабеля с высотой не более 2,5 метров с обязательным использованием инвентарных прокладок, оберегающих нижние плиты от разрушения под весом выше уложенных.
При транспортировании на всем протяжении пути должна гарантироваться полная неподвижность конструкций в кузове транспорта, исключающая их опрокидывание, сдвиг и трение.
Плиты ребристые ПРС 26-15-4 т (1.041.1-2) отзывы


