Размеры:
- Длинна: 600 мм.
- Ширина: 620 мм.
- Высота: 300 мм.
- Вес: 42 кг.
- ГОСТ, Серия: Серия 1.149 КР-1 скачать
- Объем бетона: 0,0166 м3
- Геометрический объем: 0,1116 м3
- Цена: договорная
Стандарт изготовления изделия: Серия 1.149 КР-1
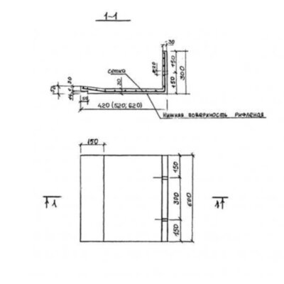
Плиты ПУ 6-6-3 представляют собой высокопрочные унифицированные стройматериалы. По внешнему виду изделия имеют своеобразную форму. Одна торцевая грань оснащена небольшим треугольным выступом. Дополнительно на теле изделий предусмотрено наличие двух отверстий небольшого диаметра. Нижняя поверхность плиты рифленая.
Применяются унифицированные плиты при строительстве сборно-монолитных перекрытий. Изделие укладывается на подмостки, служащие опалубкой для бетонирования монолитных балок. Для соединения плит применяется сталь класса AI диаметром 10мм, которая пропускается в расположенные на конструкциях отверстия. При проектировании и расчётах учитывались требования СНиП II-23.1-75. Изделия рассчитаны на нагрузку 300 кг/м2. Широкий диапазон вариаций изготовления конструкций позволяет использовать их для реализации различных типовых проектов при строительстве жилых домов, общественных зданий и других учреждений.
Маркировочное обозначение
На поверхности конструкций наносится специальные символы, отражающие особенности элементов. Они состоят из цифр и букв, и в совокупности знаков ПУ 6-6-3 имеют следующую расшифровку:
1. ПУ - тип конструкции - плита;
2. 6 - длина (дм);
3. 6 - ширина (дм);
4. 3 - высота (дм).
Запрещено вносить произвольные корректировки в маркировочные знаки, так как это может привести к ошибкам при подборе материалов. Дополнительно следует отражать дату производства, штамп отдела технического контроля и массу.
Особенности производства
С подробным порядком производственного процесса плит ПУ 6-6-3 можно ознакомиться в Серии 1.149 КР-1. По условиям регламента для обеспечения высокого качества готовой продукции ее производство необходимо осуществлять в стальных опалубочных формах. В качестве главного материала используется тяжелый бетон марки М200 по прочности на сжатие. Физико-химические свойства бетона, такие как морозостойкость и водонепроницаемость, подбираются индивидуально под условия типового проекта с учетом климатических особенностей региона строительства.
Для армирования конструкций используются сетки, собираемые с помощью контактной точечной сварки. Для их изготовления применяется высокопрочная холоднотянутая проволока класса В1, отвечающая требованиям ГОСТ 6727-53. Сварка сеток должна соответствовать требованиям ГОСТ 14098-68 и также СН 393-69. На теле изделия следует формовать два симметричных отверстия на расстоянии 150 мм от торцов размерами 20 мм, необходимых для пропуска стальных стержней класса А1 диаметром 10 мм необходимых для последующего монтажа балок. Для обеспечения продолжительного эксплуатационного срока службы конструкций важно сохранять проектную величину защитного бетонного слоя, представленную на рабочих чертежах.
Перед поставкой конечному потребителю элементы направляются на приемосдаточные испытания, результаты которых фиксируются в нормативно правовой документации. Паспорта качества поставляются заказчику вместе с партией готовой продукции, и отражают пригодность элементов к эксплуатации и соответствие всем физико-химическим характеристикам.
Транспортировка и хранение
Складирование и транспортировка плит ПУ 6-6-3 должны осуществляться с соблюдением правил по технике безопасности. Укладку необходимо осуществлять по специальным схемам, исключающим вероятность возникновения механических повреждений. Следует руководствоваться строительными нормами и правилами, а также безукоризненно соблюдать рекомендации ГОСТ 13015-75 при работе с железобетонными изделиями.
Плиты ПУ 6-6-3 отзывы


