Размеры:
- Длинна: 2800 мм.
- Ширина: 250 мм.
- Высота: 45 мм.
- Вес: 79 кг.
- ГОСТ, Серия: Серия 1.136-1 скачать
- Объем бетона: 0,032 м3
- Геометрический объем: 0,0315 м3
- Цена: договорная
Стандарт изготовления изделия: Серия 1.136-1
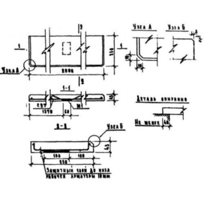
Плиты подоконные ЛО 28-25 (1.136-1) представляют собой прямоугольные конструкции. Углы одной из торцевых продольных граней имеют скосы. Элементы отличаются высоким качеством лицевых поверхностей и обладают гладкой и ровной текстурой.
Применяются подоконные плиты при строительстве жилых и общественных зданий. Элементы размещаются на оконных проемах и позволяют скрыть кирпичную кладку, а также обеспечить дополнительной эстетической привлекательностью фасад здания. При разработке изделий учитывались требования ГОСТ 6785-69. Допускается отделка лицевых поверхностей следующими способами: полирование и шлифование; использование цветного цемента, а также окрашивание. Толщина облицовочного слоя должна быть не менее 15 мм. При согласовании с потребителем допускается производство конструкций с отличным от проектного лицевым профилем, с валиком либо капельником, а также с вырезами углов и срезами торцов.
Маркировочное обозначение
Все изделия в обязательном порядке имеют специальную символику, отражающую ключевые особенности конструкции. Совокупность знаков ЛО 28-25 (1.136-1) имеет следующую расшифровку:
1. ЛО - тип конструкции - плита подоконная;
2. 28 - длина (дм);
3. 25 - ширина (дм).
Дополнительно можно указывать буквенные индексы «л» и «пр», обозначающие наличие закладных деталей с левого или правого конца плиты, необходимые для обеспечения стыковки в проемах шириной более 2800мм. Запрещено изменять маркировочное обозначение. Дополнительно следует прописывать дату изготовления, массу, а также штамп отдела технического контроля.
Особенности производства
Порядок изготовления подоконных плит ЛО 28-25 (1.136-1) прописан на страницах Серии 1.136-1. По условиям регламента производство необходимо осуществлять из тяжелого бетона марки М200 по прочности на сжатие. Физико-химические показатели, такие как водонепроницаемость и морозостойкость, подбираются отдельно с учетом специфики климата в регионе строительства.
Армируются конструкции сварными сетками, выполненными с помощью контактной точечной сварки в местах пересечения прутков из холоднотянутой стали класса В1, отвечающей требованиям ГОСТ 6727-53. Для предотвращения раннего развития коррозионных образований следует в обязательном порядке выдерживать проектную величину защитного бетонного слоя до арматурных прутков.
Заказчику поставляются конструкции, прошедшие полный комплекс приемосдаточных испытаний, и снабженные всей необходимой документацией, подтверждающей соответствие изделий эксплуатационным характеристикам и строительным нормам.
Транспортировка и хранение
Складирование и транспортировка подоконных плит ЛО 28-25 (1.136-1) должны осуществляться с соблюдением правил и норм по технике безопасности, а также с учетом рекомендаций ГОСТ 6785-69. Укладка должна осуществляться в штабеля, высотой не более 5 рядов, уложенных «на ребро» лицевой поверхности вплотную друг другу. Под первым рядом необходимо укладывать инвентарный подкладочный материал одинаковой толщины, предохраняющий конструкции от соприкосновения с грунтом. При транспортировке необходимо укладывать изделия правильными рядами «на ребро», продольной осью в направлении движения. Обязательно прокладывания между конструкциями инвентарных подкладочных материалов. При осуществлении погрузочно-разгрузочных работ строповочные тросы должны обязательно иметь мягкое покрытие в местах соприкосновения с подоконными плитами для исключения возникновения механических повреждений. Запрещен сброс, навал и перемещение волоком.
Плиты подоконные ЛО 28-25 (1.136-1) отзывы


