Описание
Отзывы (0)
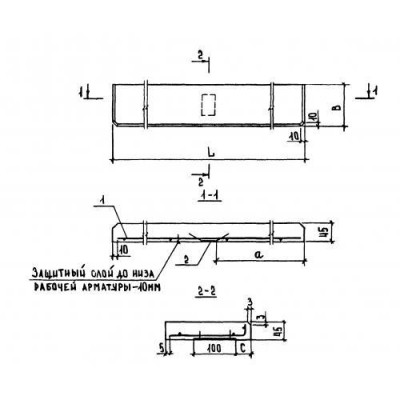
Плиты подоконные БП 6-16
Размеры:
- Длинна: 1600 мм.
- Ширина: 450 мм.
- Высота: 45 мм.
- Вес: 81 кг.
- Объем бетона: 0,032 м3
- Геометрический объем: 0,0324 м3
- Цена: договорная
Плиты подоконные БП 6-16 отзывы


