Размеры:
- Длинна: 1700 мм.
- Ширина: 1100 мм.
- Высота: 170 мм.
- Вес: 630 кг.
- ГОСТ, Серия: Не выбрано скачать
- Объем бетона: 0,25 м3
- Геометрический объем: 0,3179 м3
- Цена: договорная
Стандарт изготовления изделия: Не выбрано
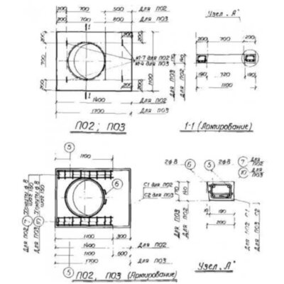
Плиты ПО 3 (с отвер.) - это унифицированные железобетонные стройматериалы, которые используются в качестве элементов сборных инженерных конструкций. Данные изделия обладают довольно своеобразной формой: одно или несколько технических отверстий внутри плоской прямоугольной плиты имеют круглую форму и могут размещаться как по центру, так и у края. Для всех наименований номенклатурного ряда диаметр таких отверстий остается неизменным – 700 мм. Такой размер рассчитан на свободное проникновение человека в смотровой колодец, что очень удобно при осуществлении технического обслуживания узловых точек различных коммуникаций. Этот тип ЖБИ относится к элементам перекрытия сборных лотков. Он не может использоваться при строительстве зданий или каких-либо других установок, однако отлично выполняет функцию защиты смотровых шахт от попадания земли, мусора и ливневых вод, а также проникновения посторонних (при эксплуатации вместе с защитными чугунными люками).
1. Варианты маркировки
При выпуске, также как и прочим типовым железобетонным изделиям, плитам перекрытия лотков ПО присваивают особое наименование, марку, указывающую на определенные технические или геометрические характеристики. Способы написания таких обозначений регламентируются официальными стандартами и представлены несколькими вариантами:
1. ПО 3;
2. ПО 3 и.
2. Основная сфера применения
Плиты ПО 3 (с отвер.) применяются вместе с одноразмерными кольцами колодцев и крепятся на лотки, балки камер, сборные железобетонные колодцы. Такие материалы используются для обустройства наземных и подземных каналов, которые прокладываются на глубине вплоть до 6 м. Сооружения этого типа служат для изоляции теплотрасс, кабельных сетей, проведения общественных и промышленных коммуникаций. В связи с высокой ответственностью и большими нагрузками каждый элемент установки должен обладать высочайшими эксплуатационными показателями. Плиты перекрытия не исключение: от них в большой мере зависит надежность конструкции, а потому к прочностным показателям и способности ПО выдерживать жесткие климатические требования предъявляются немалые.
3. Обозначения маркировки изделия
Марка должна содержать в себе четкие и лаконичные обозначения, идентифицирующие определенное железобетонное изделие. Для плит ПО 3 (с отвер.) расшифровка марки довольно проста:
1. ПО – тип плиты;
2. 3 – порядковый номер типоразмера.
Кроме того, при маркировании самих строительных материалов на их боковую поверхность наносится дата выпуска и логотип производителя (или название компании). Одними из ключевых аспектов выбора конкретной марки являются ее полные габаритные характеристики. Для рассматриваемого нами типоразмера они представлены такими значениями:
Длина = 1700;
Ширина = 1100;
Высота = 170;
Вес = 630;
Объем бетона = 0,25;
Геометрический объем = 0,3179.
4. Изготовление и основные характеристики
Плиты перекрытия камер ПО 3 (с отвер.) изготавливаются в полном соответствии с требованиями действующего типового проекта Серия ИС-01-04. В выпусках этого технического норматива имеются все необходимые чертежи, описания закладных изделий, указания по выпуску и приемке, а также отсылки к другим важным регламентам. Например, правила армирования плит определяет ГОСТ 5781-61. Согласно с этим документом, для усиления лотковых элементов используется сталь классов А-І и А-ІІІ. Каркас изделий состоит из сварных сеток и отдельных стержней, ободков для технического отверстия, закладных деталей для крепления и строповочных петель. В зависимости от проектной толщины плиты защитный слой бетона составляет от 15 до 20 мм. Отклонение всего в 5 мм уже может служить серьезным поводом к забраковке элемента. Сам бетон отвечает высокой марке М300 по прочности на сжатие. Чтобы он максимально равномерно распределился по опалубке и покрыл металлические элементы, во время формования используют вибрационные столы – современное оборудование, способствующее быстрому уплотнению цементного раствора.
За счет наличия в составе бетонной смеси таких заполнителей, как очищенный песок, мелкофракционный щебень или гравий, а также в связи с применением высококлассных пластификаторов, плиты перекрытия лотков обладают очень высоким уровнем сопротивляемости погодным воздействиям. Их марка морозостойкости – F300, а марка водонепроницаемости – W4. По завершению процесса формования заготовки под действием высоких температур сушат вплоть до обретения отпускной прочности. На их поверхности не должно быть больших трещин, раковин или наплывов. Соответствие внешних характеристик проектным, а также уровень прочности и трещиностойкости изделий проверяется на заключительном этапе выпуска – приемо-сдаточных испытаниях.
5. Транспортировка и хранение
Готовые промаркированные плиты ПО 3 (с отвер.) хранятся на специальных подготовленных площадках. Их сортируют, укладывают штабелями и разделяют деревянными досками. Погрузка осуществляется захватом за строповочные петли, а при транспортировке изделия тщательно фиксируются стальными лентами или проволокой.
Плиты ПО 3 (с отвер.) отзывы


