Описание
Отзывы (0)
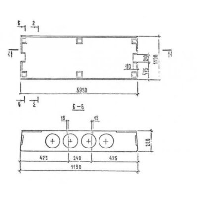
Плиты перекрытий многопустотные П 60-12-6 АтIVс-1 с9
Размеры:
- Длинна: 5980 мм.
- Ширина: 1190 мм.
- Высота: 220 мм.
- Вес: 2590 кг.
- ГОСТ, Серия: Шифр 89-1227 скачать
- Объем бетона: 1,08 м3
- Геометрический объем: 1,5656 м3
- Цена: договорная
Плиты перекрытий многопустотные П 60-12-6 АтIVс-1 с9 отзывы


