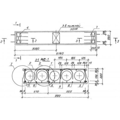
Размеры:
- Длинна: 6160 мм.
- Ширина: 990 мм.
- Высота: 220 мм.
- Вес: 1783 кг.
- ГОСТ, Серия: Серия 1.141.1-40с скачать
- Объем бетона: 0,715 м3
- Геометрический объем: 1,3416 м3
- Цена: договорная
Стандарт изготовления изделия: Серия 1.141.1-40с
Плиты многопустотные 1ПК 62-10-6 АтV с8 унифицированные железобетонные изделия, имеющие прямоугольную форму. Характерной отличительной чертой данной конструкции является наличие в поперечном сечении ряда пустот с диаметром 159 мм, проходящих по всей длине конструкции.
В современном строительстве многопустотные плиты применяются в качестве перекрытия пола и потолка при строительстве жилых и общественных зданий, выполненных из кирпича или крупных стеновых блоков с центральным отоплением. Сквозные пустоты уменьшают вес конструкции, обеспечивают возможность прокладки проводки и улучшают тепло и звукоизоляцию. Плиты, разработанные по Серии 1.141.1-40с предназначены для использования в районах с сейсмичностью от 7 до 9 баллов. Недопустимо использование конструкций в агрессивных к бетону средах. Глубина опирания на стены должна быть не менее 120 мм.
Расшифровка маркировки
На изделия необходимо наносить опознавательные знаки. Маркировочные обозначения должны соответствовать требованиям ГОСТ 23009-78. Для изделий 1ПК 62-10-6 АтV с8 комбинация букв и цифр будет иметь значение:
1. 1 диаметр пустот 159 мм;
2. ПК круглопустотная плита перекрытия высотой 220 мм;
3. 62 длина;
4. 10 ширина;
5. 6 расчетная нагрузка;
6. AtV класс напрягаемой арматуры;
7. с8 сейсмичность района эксплуатации (8 баллов).
Знаки необходимо заносить на боковую грань изделия. Не допускается внесение сторонних изменений в маркировочные обозначения.
Материалы и производство
Изготовление осуществляется по поточноагрегатной и конвейерной технологии. В качестве основы выступает тяжелый бетон класса В20. Морозостойкость бетона определяется исходя из условий эксплуатации, подбирается по ГОСТ 10060-87.Для плит с индексом «а» в изделии фиксируются специальные вкладыши длиной 130 мм из бетона В20.
Для арматурных каркасов используется стержневая упрочненная сталь класса AtV по ГОСТ 10884-81. Для напряжения арматуры применяется электротермический метод. Качество и соответствие параметров арматурных компонентов должно удовлетворять требования ГОСТ 12004-81. Плоские каркасы необходимо выполнять из проволоки периодического профиля Bp-I н по ГОСТ 6727-80. Монтажные петли крепятся скрутками вязаной проволоки.Качество сварных соединений должно соответствовать требованиям ГОСТ 14098-85 и СН 393-78.
Предел огнестойкости элементов равен 1 часу. Отпуск плит в зимнее время возможен при достижении прочности 85% проектной, в летнее время 70%. Качество геометрических параметров должно проверятся по ГОСТ 13015.3-81. Прошедшая контрольные испытания по ГОСТ 9561-76 продукция оснащается сертификатом соответствия.
Транспортировка и хранение
Для осуществления погрузочно-разгрузочных работ необходимо использовать строповочные петли. Подъём производится при помощи самобалансирующих траверс. Трос крепится к четырем петлям, не допускается их сгиб или деформация. Все работы должны производиться с соблюдением техники безопасности.
Для складирования многопустотных плит 1ПК 62-10-6 АтV с8 требуется заранее подготовить ровную площадку. Подкладочный материал прокладывается на расстоянии 30 см от торцов ровным шагом по всей длине плит. Необходимо обеспечить подъезд специализированной техники для ускорения погрузки и разгрузки конструкций. Запрещается сброс, навал и любые механические повреждения железобетонных элементов.
Плиты многопустотные 1ПК 62-10-6 АтV с8 отзывы


