Плиты дорожные КЦО 3
Описание
Отзывы (0)
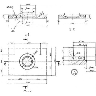
Плиты дорожные КЦО 3
Размеры:
- Длинна: 2500 мм.
- Ширина: 1750 мм.
- Высота: 220 мм.
- Вес: 2260 кг.
- Объем бетона: 0,963 м3
- Геометрический объем: 0,9625 м3
- Цена: договорная
Плиты дорожные КЦО 3 отзывы


