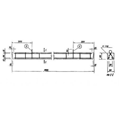
Размеры:
- Длинна: 1800 мм.
- Ширина: 90 мм.
- Высота: 90 мм.
- Вес: 33 кг.
- ГОСТ, Серия: Серия ИИ 01-02 скачать
- Объем бетона: 0,013 м3
- Геометрический объем: 0,0146 м3
- Цена: договорная
Стандарт изготовления изделия: Серия ИИ 01-02
Перемычки ША 3 (ИИ 01-02) представляют собой вытянутую прямоугольную конструкцию. Характерной отличительной особенностью изделий является наличие скошенных торцевых сторон. Для удобства транспортировки и монтажа в теле элемента предусмотрены строповочные петли.
Применяются высокопрочные перемычки при строительстве сооружений 2-5 этажей в гражданском домостроении. Изделия выступают в качестве основных элементов при обустройстве оконных и дверных проемов. Они укладываются над проемом, и позволяют обеспечить возможность укладки нескольких рядов кирпичной кладки, препятствуя падению материалов. После высыхания кладки элементы можно вытащить из общего каркаса в случае если сооружение не подвергаются дополнительной отделки или если того требует конкретный типовой проект. Изделия разрабатывали с учетом требований ГОСТ 948-41.
Маркировочное обозначение
Нанесение специальных знаков на поверхности конструкции в значительной степени упрощает их поиск при подборе необходимых строительных материалов. Совокупность символов ША 3 (ИИ 01-02) имеет следующую расшифровку:
1. Ш - тип стен, для которых применяются конструкция (Ж для кирпичных, Ш для шлакобетонных);
2. А - перемычка для ненесущих стен (Б для несущих стен);
3. 3 - порядковый номер типоразмера.
Не допускается внесение произвольных изменений в маркировочные обозначения. На нижней грани также может указываться несмываемой краской или выдавливаться специальный знак, буква «н», обозначающий низ конструкции.
Особенности производства
Обо всех принципах производства, требованиях к материалам, и условиях изготовления железобетонных перемычек ША 3 (ИИ 01-02) можно ознакомиться в нормативном документе Серии ИИ 01-02. По условиям регламента в качестве главного сырья необходимо использовать бетон марки М140 по прочности на сжатие. Важно обеспечить величину защитного слоя до поверхности рабочего армирования с целью предотвращения раннего возникновения коррозионных образований. Водонепроницаемость и морозостойкость подбираются индивидуально под каждый типовой проект исходя из конкретных климатических условий.
Высокую прочность конструкций имеют благодаря входящему в состав армированию. Для него принята холоднотянутая проволока с пределом текучести 4500 кг/см2. Сборка сеток в местах пересечения осуществляется с помощью контактной точечной сварки в соответствии с требованиями ТУ 73-50. Приемку, паспортизацию, складирование, транспортировку, а также методы испытаний готовых железобетонных перемычек необходимо производить в соответствии ГОСТ 948-41. К отпуску допускаются достигшие проектной прочности изделия, прошедшие полный комплекс приемо-сдаточных испытаний.
Конечный потребитель получает конструкции с полным перечнем необходимой документации, подтверждающей соответствие изделий требованиям лицевых поверхностей, прочности, надежности, пригодности к эксплуатации и отвечающие физико-химическим характеристикам.
Транспортировка и хранение
Складировать и перевозить перемычки ША 3 (ИИ 01-02) необходимо с полным соблюдением норм действующих строительных стандартов, а также техники безопасности. Укладку необходимо производить с обязательным использованием инвентарных деревянных подкладок, размещаемых на определенном расстоянии от торцов, позволяющих обеспечить надежную опору и препятствующих трению конструкций между собой. Высота подкладочного материала должна превышать высоту монтажных петель. Важно надежно фиксировать конструкции с целью предотвращения опрокидывания и возникновения механических повреждений.
Перемычки ША 3 (ИИ 01-02) отзывы


