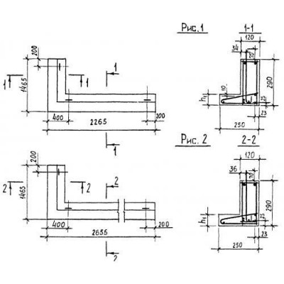
Размеры:
- Длинна: 2265 мм.
- Ширина: 250 мм.
- Высота: 1465 мм.
- Вес: 398 кг.
- ГОСТ, Серия: Серия 1.038.1-1 скачать
- Объем бетона: 0,159 м3
- Геометрический объем: 0,8296 м3
- Цена: договорная
Стандарт изготовления изделия: Серия 1.038.1-1
Перемычка угловая фасадная 2ПФУ 23/15-8 - является универсальным железобетонным изделием, с ровной гладкой поверхностью, прямоугольной формы, которое применяется при строительстве жилых помещений и зданий общественного назначения. Железобетонные угловые перемычки, широко используются при обустройстве нестандартных угловых окон и проемов. Что касается фасадных перемычек, то они актуальны при возведении кирпичных стен, а именно перекрывают проемы и имеют эстетический внешний вид. Изделия выполнены из материалов высокого качества и просты в установке. Более детально можно ознакомиться с рабочими чертежами в Серии 1.038.1-1.
Расшифровка маркировки
Маркировочные знаки состоят из буквенно-цифровых комбинаций. Марка обычно ставится на торцевую сторону железобетонного изделия, и должна быть прописана в техническом документе, которым снабжается любое железобетонное изделие. На основании Серии 1.038.1-1 расшифровка 2ПФУ 23/15-8 имеет следующее значение:
1. 2 - тип поперечного сечения;
2. ПФУ - перемычка угловая фасадная;
3. 23 - размер длинной стороны изделия;
4. 15 - размер короткой стороны изделия;
5. 8 - нагрузка.
Чтобы марка на изделии продержалась долгое время, используют специальную влагоустойчивую краску. На боковой грани перемычек должен стоять штамп ОТК, отметка о массе, номере партии, а так же указывают наименование завода производителя.
Материалы и производство
Качество железобетонной конструкции зависит от того из какого материала она произведена. Изготовление перемычек угловых фасадных осуществляется на заводе с применением новейших технологий. Изделия должны выпускаться в соответствии с нормативным документом Серия 1.038.1-1. Согласно действующему документу запроектирован бетон класса B15 и В20. Марка водонепроницаемости и морозостойкости определяется с соответствии с конкретными климатическими условиями, того района, где будут возводить сооружение. Армирование железобетонных деталей осуществляется из горячетанной стали A-III по ГОСТ 5781-82 и применяется обыкновенная проволока класса Bp-I. В теле железобетонных перемычек предусматриваются строповочные петли и отверстия, которые упрощают процесс их установки, а так же удобны при подъеме, во время транспортировки. Отпускная прочность бетона, согласно регламенту, в теплый период должна составлять 70%, а в холодный период 90% от проектной марки бетона. Готовая партия перемычек проходит многократные проверки. Изделия проверяются на прочность, трещиностойкость, особое внимание уделяют поверхности, она должна быть без дефектов, без трещин. Геометрические размеры должны соответствовать рабочему чертежу. Каждое изделие, прошедшее контрольные испытания, получает специализированный документ, содержащий информацию о сырье и заводе изготовителе.
Транспортировка и хранение
Перемычки угловые фасадные 2ПФУ 23/15-8 хранятся в оборудованных складских помещениях, их укладывают на ровное основание в горизонтальном положении в штабеля высотой не более двух метров. Между изделиями подкладывают специальный изолирующий материал, который предохраняет элементы от трений и повреждений. Транспортировка производится с соблюдением правил техники безопасности, с особой осторожностью. Заранее необходимо строительные изделия надежно закрепить в кузове автомобиля. Чтобы потребитель получил перемычки в идеальном состоянии, нужно аккуратное и бережное обращение с железобетонной продукцией, перемычки нельзя сбрасывать и перетаскивать волоком.
Перемычки 2ПФУ 23/15-8 отзывы


