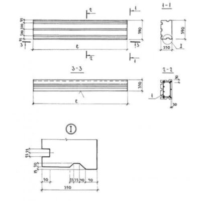
Размеры:
- Длинна: 4470 мм.
- Ширина: 590 мм.
- Высота: 350 мм.
- Вес: 640 кг.
- ГОСТ, Серия: Серия 1.165.1-10 скачать
- Объем бетона: 0,85 м3
- Геометрический объем: 0,9231 м3
- Цена: договорная
Стандарт изготовления изделия: Серия 1.165.1-10
Вентилируемая панель покрытия ПВ 45-6-35-3 я применяется для формирования межэтажного пространства в жилых зданиях и сооружениях общественного назначения с шагом несущих стен 2,3-6,3 метра. Такая панель представляет собой прямоугольную конструкцию из легкого бетона и стального каркаса с конструктивными особенностями в виде симметричных выступов проходящих по всей длине элемента, предающих верхней поверхности рельефность. Нижняя поверхность панели должна быть гладкой, подготовленной к дальнейшей декоративной отделке. Нормативным документом изготовления предусмотрены изделия толщиной 300 и 350 мм, рассчитанные на унифицированные нагрузки 200 и 300 кг/м2, без учета собственного веса.
Согласно СНиП II-80 панели ПВ 45-6-35-3 я относятся к группе несгораемых конструкций с пределом огнестойкости 2,40 часа.
Расшифровка маркировки
Условное обозначение (марка) панелей ПВ 45-6-35-3 я состоит из нескольких групп обозначения, в которых кратко указана основная информация:
1. ПВ - панель покрытия;
2. 45 - длина;
3. 6 - ширина;
4. 35 - высота;
5. 3 - несущая способность;
6. я - автоклавный ячеистый бетон.
Габаритные размеры указываются округленные до целого числа в дециметрах.
На всех конструкциях, принятых отделом технического контроля, должны быть обозначены: марка изделия, товарный знак завода-производителя, дата выпуска, печать ОТК. Надписи наносятся на боковой поверхности панелей путем штампования несмываемой краской, устойчивой к ультрафиолетовым лучам.
Материалы и производство
Так как от качества выполнения вентилируемых панелей покрытия ПВ 45-6-35-3 я будет зависеть безопасность и надежность эксплуатация зданий, регламентировано их производство заводами железобетонных конструкций с проведением систематического пооперационного контроля над качеством согласно Серии 1.165.1-10. Основной материал для их изготовления - это ячеистый автоклавный бетон с маркой по прочности на сжатие В25, марка бетона по морозостойкости принимается при привязке проекта, но не менее Мрз35. Ячеистый бетон обладает высокими теплоизоляционными, звукоизоляционными показателями, но недостаточно прочный из-за большой пористости, именно поэтому его подвергают автоклавной обработке, которая позволяет ускорить процесс затвердевания, и получить изделия с более высокими физико-химическими показателями.
Армирование вентилируемых панелей - это трудоемкий процесс, включающий в себя сборку и антикоррозийную обработку пространственных каркасов, собранных из плоских каркасов и сеток, а так же их установку в опалубку. В качестве арматуры используется сталь классов АI, АIII и проволока ВрI.
Приемка готовых конструкций проходит путем проведения испытаний на прочность, жесткость, трещиностойкость, оценки внешнего вида, точности линейных параметров и положения стальных деталей. По итогам приемки изделия сопровождаются потребителю с документами о качестве установленного образца.
Транспортировка и хранение
Для того чтобы сохранить вентилируемые панели покрытия ПВ 45-6-35-3 я в пригодном состоянии для монтажа необходимо их хранить на оборудованных складах с обязательным использованием инвентарных прокладок. Не допускается совместное хранение конструкций с материалами, которые могут вызвать их переувлажнение, коррозию или порчу, например, с цементом, известью и прочими.
Подъем панелей покрытия надлежит осуществлять транспортом, оснащенным специальными захватами.
Перевозку автомобильным, железнодорожным транспортом необходимо проводить в соответствии с нормами и правилами, действующими на этих видах транспорта.
Панели покрытий сплошные ПВ 45-6-35-3 я отзывы


