Размеры:
- Длинна: 4480 мм.
- Ширина: 2980 мм.
- Высота: 160 мм.
- Вес: 5300 кг.
- ГОСТ, Серия: Серия 1.100.1-7 скачать
- Объем бетона: 2,12 м3
- Геометрический объем: 2,1361 м3
- Цена: договорная
Стандарт изготовления изделия: Серия 1.100.1-7
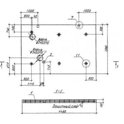
Панели перекрытий сплошные П 30-45-16-3-1 относятся к группе высокопрочных строительных материалов. Они имеют прямоугольную форму с рядом конструктивных особенностей. Изделия запроектированы толщиной 160 мм.
Основной сферой применения сплошных панелей перекрытия выступает крупнопанельное домостроение. Их часто используют при строительстве 5-9 этажных жилых домов с шагом поперечных стен 3 и 4,5 метра. Разрешается эксплуатировать в обычных грунтовых условиях. Элементы подходят для I строительно-климатической зоны. Изделия рассчитаны на опирание по контуру, допускается опирание по 3 сторонам. Панели разрабатывались для серий с модулем, кратным 1,5 метрам, поэтому сами панели также кратны 1,5 метрам. При разработке конструкций учитывались рекомендации СНиП 2.03.01-84 и ГОСТ 12767-80. Максимальные габаритные размеры конструкций не должны превышать 5,98х2,98х0,16 м и массы 7,1 т.
Маркировочные обозначения
Важной деталью для всех строительных материалов является наличие специальных маркировочных обозначений, позволяющих в кратчайшие сроки отыскать необходимые элементы на складских территориях и в спецификациях типовых проектов. Символы П 30-45-16-3-1 расшифровываются:
1. П - тип изделия - панель перекрытия сплошная;
2. 30 - высота (дм);
3. 45 - длина (дм);
4. 16 - толщина (см);
5. 3 - величина полезной нагрузки;
6. 1 - конструктивные особенности.
Перед буквенным индексом в конце маркировочного обозначения могут находиться цифры, отвечающие за вариант опалубки, используемой при производстве сплошных панелей перекрытия.
Особенности производства
Подробный процесс производства сплошных панелей перекрытия П 30-45-16-3-1 прописан в Серии 1.100.1-7. По ее рекомендациям изготовление панелей лучше осуществлять по кассетной технологии. В качестве главного сырья выступает тяжелый бетон класса В15 по прочности на сжатие с использованием крупных и мелких заполнителей. Показатели водонепроницаемости и морозостойкости подбираются отдельно и зависят от конкретных условий эксплуатации.
В теле панелей присутствуют специальные арматурные блоки, что позволяет конструкциям выдерживать длительные транспортировки. Сетки выполняются из проволоки класса BpI по ГОСТ 6727-80, а также стали класса AIII. Качество соединений должно соответствовать ГОСТ 14098-85. Для производства подъемных петель применяется сталь класса AcII марки 10ГТ и AI марки Вст2сп2. Для анкеров используется сталь класса AIII и AI по ГОСТ 5781-82.
Для проведения скрытой электропроводки в панелях предусмотрены специальные полиэтиленовые трубки с диаметрами 25 и 32 мм, соответствующие ГОСТ 1859-83.
Не допускается наличие раковин и сколов на лицевых поверхностях конструкций. Потребителю направляются партии изделий, прошедшие ряд контрольных испытаний и отвечающие требованиям нормативно правовой документации.
Транспортировка и хранение
При планировании транспортировки и хранения сплошных панелей перекрытия П 30-45-16-3-1 важно учитывать рекомендации ГОСТ 12767-80. Изделия следует хранить в кассетах в вертикальном положении. Допускается хранение в штабелях высотой не более 2,5 м в рабочем положении - горизонтально. Обязательно использование деревянных прокладок с минимальной толщиной 30 мм. Перевозка допускается в вертикальном, наклоненном и горизонтальном положениях. Важно беречь конструкции от возникновения любых механических повреждений. Рекомендуется использовать траверсы и специализированную технику.
Панели перекрытий сплошные П 30-45-16-3-1 отзывы


