Размеры:
- Длинна: 1800 мм.
- Ширина: 1700 мм.
- Высота: 600 мм.
- Вес: 3780 кг.
- ГОСТ, Серия: Серия 1.111.1-4 скачать
- Объем бетона: 1,51 м3
- Геометрический объем: 1,836 м3
- Цена: договорная
Стандарт изготовления изделия: Серия 1.111.1-4
Оголовки с платформенным опиранием 3ОСП 40-2 принципиально отличаются от популярных оголовков типа «Колокол» характером опирания на железобетонные сваи: их монтаж не предполагает наличия замоноличиваемой полости, что существенно повышает несущую способность изделий. Предназначены такие элементы для укрепления свайных фундаментов. Процесс установки довольно прост: оголовки 3ОСП 40-2 опираются непосредственно на торцевую поверхность сваи посредством выравнивающего слоя. Основные преимущества данных стройматериалов заключаются в их высокой трещиностойкости, низкой материалоемкости и минимизации мокрых процессов при монтаже.
1. Варианты маркировки
В соответствии с общепринятыми стандартами, каждое типовое железобетонное изделие может маркироваться исключительно по установленной последовательности буквенно-цифровых обозначений. Для фундаментных свайных оголовков интересующего нас типоразмера существуют такие актуальные варианты маркировки:
1. 3ОСП 40-2;
2. 3ОСП 40-3.
2. Основная сфера применения
Итак, оголовки с платформенным опиранием 3ОСП 40-2 нужны для проектирования и возведения свайных фундаментов для жилых и общественных зданий. Прелесть таких материалов состоит в их способности воспринимать впечатляющие нагрузки, а также устанавливаться как в обычных условиях, так и на вечномерзлых грунтах. Они применяются для сборных и сборно-монолитных ростверковых и безростверковых свайных фундаментов разного типа сечения в грунте и на открытом воздухе. Выдерживают морозы вплоть до -55 градусов, однако без специальной антикоррозийной защиты не могут применяться в агрессивных средах.
3. Обозначения маркировки изделия
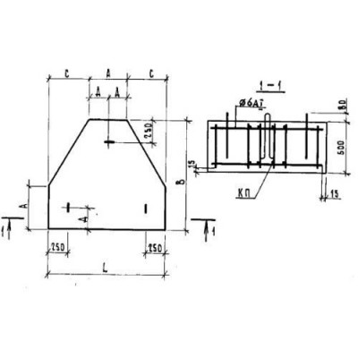
Умения правильно читать марку железобетонного изделия существенно облегчает процесс ознакомления с технической документацией, а также упрощает и процесс сортировки стройматериалов на складах. Марка 3ОСП 40-2 расшифровывается так:
1. 3 – тройной (на 3 сваи);
2. ОСП – оголовок свайный с платформенным сопряжением;
3. 40 – сечение свай в мм.;
4. 2 – группа по несущей способности.
Упущенные в марке размерные характеристики данных конкретных изделий представлены следующими значениями:
Длина = 1800;
Ширина = 1700;
Высота = 600;
Вес = 3780;
Объем бетона = 1,51;
Геометрический объем = 1,836.
При маркировании готовых партий изделий указывается также дата их выпуска и логотип производителя. При этом обозначения наносятся черной стойкой к стиранию краской по специальным шаблонам.
4. Изготовление и основные характеристики
Согласно с типовым нормативом Серия 1.111.1-4 оголовки 3ОСП 40-2 изготавливаются в стальных опалубках соответствующей формы. Чтобы при бетонировании цементная смесь не прилипала к бортам формооснастки, их смазывают праймером, или другим подходящем веществом. Производство осуществляется поточно-агрегатным методом, что предполагает разбивку процесса на несколько стадий. На первом этапе в проектное положение монтируются элементы армирования будущей фундаментной основы. Это пространственные каркасы из стали класса Вр-І согласно с ГОСТ 6727-80 или А-І и А-ІІІ по ГОСТ 5781-82. Для максимальной надежности каркасы соединяются по технологии контактно-точечной сварки. Они монтируются в вышеупомянутые формы, закрепляются с помощью цементно-песчаных фиксаторов типа «РМ», а затем заливаются подсушенной бетонной смесью. Смесь в свою очередь изготавливается из тяжелого портландцемента марки М100 или М150 в зависимости от будущих условий эксплуатации, мелких заполнителей (фракционированного щебня из скальных пород типа гранит не крупнее 30 мм) для повышения стойкости к погодным воздействиям и пластификаторов, если того требует проект. Марка морозостойкости также зависит от условий монтажа и варьируется от F50 до F100.
Заготовки устанавливаются на вибрационные столы для максимального уплотнения, и начинается процесс усадки. После такого формования наступает этап сушки под действием высоких температур до достижения отпускного уровня прочности (70% в летний период и 100% в зимний). В конце концов, готовые изделия проходят приемку. Путем некритичных нагрузок они тестируются на трещиностойкость и прочность, а затем изучается поверхность изделий и их размерные характеристики.
5. Транспортировка и хранение
Конструкции интересующего нас типа необходимо складировать рассортированными по маркам штабелями. Оголовки 3ОСП 40-2 укладываются на специальные деревянные прокладки, толщина которых должна составлять не менее 10 см, что препятствует сгибанию монтажных петель. При перевозке блоки надежно закрепляются в неподвижном состоянии с помощью стальных и металлических лент. Погрузочно-разгрузочные работы должны осуществляться исключительно за монтажные петли с помощью соответствующей подъемной техники.
Оголовники с платформенным опиранием 3ОСП 40-2 отзывы


