Размеры:
- Длинна: 3280 мм.
- Ширина: 2980 мм.
- Высота: 160 мм.
- Вес: 3500 кг.
- ГОСТ, Серия: Серия 1.420.1-25 скачать
- Объем бетона: 1,4 м3
- Геометрический объем: 1,5639 м3
- Цена: договорная
Стандарт изготовления изделия: Серия 1.420.1-25
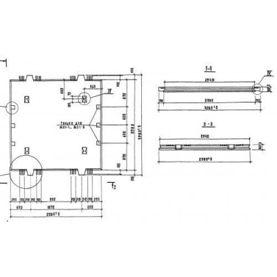
Плиты межколонные МП 1-1 – это неотъемлемый элемент перекрытия зданий сборной безбалочной конструкции разнообразного назначения. Такие железобетонные изделия устанавливаются в местах расположения лестниц либо лифтовых шахт. Межколонная плита МП 1-1 имеет четырехугольную форму с продольными воздушными каналами цилиндрического либо прямоугольного сечения. Такая конструкция позволяет значительно уменьшить вес железобетонного армированного изделия и обеспечить гарантированную тепловую и звуковую изоляцию. Для создания надежной конструкции перекрытия на поперечных гранях предусмотрены монтажные выступы. Перемещение плит во время транспортировки и установки осуществляется с помощью специальных петель. При изготовлении этих элементов перекрытия необходимо строго соблюдать требования технических стандартов. Описание всех основных правил производства, условия приема готовых изделий приводиться в Серии 1.420.1-25.
1. Варианты маркировки
Каждое строительное железобетонное изделие в обязательном порядке маркируется на боковой грани условным обозначением. Такая буквенно-цифровая система позволяет упростить запись в технической сопроводительной документации, облегчить сортировку готовой продукции, лаконично представить всю информацию об эксплуатационных параметрах и назначении этого изделия. Наиболее распространенные варианты маркировки плит межколонных МП 1-1 указаны в Серии 1.420.1-25.
1. МП 1-1;
2. МП 1-2;
3. МП 1-3;
4. МП 1-4;
5. МП 1-5;
6. МП 1-6.
2. Основная сфера применения
Плиты межколонные МП 1-1 используется в промышленном и гражданском строительстве при возведении многоэтажных домов со стенами из кирпича либо железобетонных панелей. Они применяются как элементы ригелей перекрестных рам с жесткими узлами. Количество пролетов и ярусов должно соответствовать габаритной схеме каркаса возводимого здания. Плиты межколонные МП 1-1 устанавливаются у проемов для лестничных маршей либо лифтовых шахт при обустройстве безбалочных перекрытий в зданиях с сеткой колонн 6х6м. Эти бетонные армированные изделия отличаются высокой прочностью и достаточной жесткостью. Они обеспечивают прекрасную несущую опорную способность благодаря незначительной прогибаемости. Эти изделия позволяют предать зданию высокую огнестойкость. Плита межколонная применяется для строительства многоэтажных промышленных, коммерческих и жилых строений, имеющих определенный шаг колонн. Эти железобетонные изделия выпускаются различной формы и применения. Они используются для перекрытия крайних и средних рядов между колоннами, примыкающих к шахтам лифтов и лестничным маршам. На некоторых видах предусмотрены углубления, позволяющие упростить обустройство эксплуатационных отверстий.
3. Обозначение маркировка изделия
Плиты межколонные МП 1-1 согласно требованиям Серии 1.420.1-25 и ГОСТа 27108-86 маркируются буквенно-цифровым шифром, предоставляющем краткую информацию о варианте использования, типоразмере и несущей способности. Дополнительно условное обозначение на их торцевой грани информирует о массе изделия, дате производства. Для примера попробуем расшифровать маркировку плиты межколонной МП 1-1:
1. МП – железобетонная межколонная плита;
2. 1 – типоразмер;
3. 1 – индекс допустимой нагрузки.
Выбирая плиты межколонные МП 1-1 дляобустройства безбалочных перекрытий в зданиях разнообразного назначения с сеткой колонн, необходимо учесть основные их технические характеристики. У них:
Длина = 3280;
Ширина = 2980;
Высота = 160;
Вес = 3500;
Объем бетона = 1,4;
Геометрический объем = 1,5639.
4. Изготовление и основные характеристики
Плиты межколонные МП 1-1 производятся с учетом проектных чертежей и требований Серии 1.420.1-25 и ГОСТа 27108-86. В процессе изготовления применяются бетоны, имеющие высокие прочностные характеристики на сжатие марок В 30 - 22,5, к примеру, М300-М500. При производстве таких железобетонных изделий используется метод вибрационного формообразования и уплотнения рабочего бетонного раствора. Для повышения эксплуатационных параметров в межколонные плиты во время изготовления закладываются армирующие каркасы и сетки. При сборке пространственной конструкции соединение все элементов арматуры выполняется методом обвязки специальной проволокой и контактной точечной сваркой. Для этого применяется стальная рифленая арматура класса А-III. Такая конструкция железобетонных изделий позволяет обеспечить допустимые нагрузки больших величин, морозостойкость не ниже F50, водопроницаемость на уровне W2. Во время изготовления специалистами обязательно контролируется положение пространственного армирующего каркаса и дополнительных сеток, толщина защитного слоя бетона. Каждое изделие проверяется на жесткость и прочность конструкции, трещиноустойчивость согласно требованиям документации Серии 1.420.1-25.
5. Транспортировка и хранение
Плиты межколонные МП 1-1 допускается укладывать плашмя в штабеля высотой до 8 ярусов. Техническая документация Серии 1.420.1-25 оговаривает необходимость прокладки между каждым рядом деревянных реек толщиной не менее 40 мм. Железобетонные изделия должны располагаться в штабелях, исключающих возможность случайной их деформации. Во время транспортировки необходимо применять специальное приспособление, обеспечивающее устойчивое положение плит.
Межколонные плиты МП 1-1 отзывы


