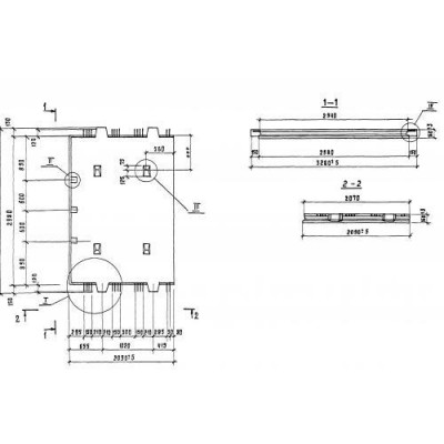
Размеры:
- Длинна: 3280 мм.
- Ширина: 2090 мм.
- Высота: 160 мм.
- Вес: 2500 кг.
- ГОСТ, Серия: ГОСТ 27108-86 скачать
- Объем бетона: 1 м3
- Геометрический объем: 1,0968 м3
- Цена: договорная
Стандарт изготовления изделия: ГОСТ 27108-86
Крайняя межколонная плита МПК 1-4-1 железобетонная прямоугольная конструкция, на торцевых сторонах которой находятся выпуски арматуры для сопряжения с другими строительными элементами. В зависимости от расположения в плане здания в них могут быть предусмотрены углубления для образования отверстий. Предназначены такие плиты для крайних рядов колонн и применяются в качестве распорок, воспринимающих горизонтальные и продольные нагрузки в безбалочном каркасе многоэтажных сооружений (высота этажа 4,8, 6 м) с сеткой колонн 6х6. Запроектированы изделия для строительства производственных, складских строений предприятий коммерческого, промышленного и сельскохозяйственного назначения с различными температурными режимами, включая технологическую температуру +50. Применяются такие строительные элементы в областях с температурой наружного воздуха самой холодной пятидневки до минус сорока градусов, с сейсмической активностью не более 6 баллов, с неагрессивной слабой и среднеагрессивной газообразной средой, с непросадочными грунтами и не на подрабатываемых территориях. Данные конструкции обеспечивают долговечность, огнестойкость, надежность и безопасность зданиям благодаря своим высоким показателям несущей способности, достаточной жесткости и прочности.
Расшифровка маркировки
Условно обозначаются железобетонные конструкции марками, которые облегчают сортировку, поиск изделий на складе и имеют вид цифробуквенных комбинаций. Маркировка плиты МПК 1-4-1 расшифровывается как:
1. МПК крайняя межколонная плита при привязке наружной стены,
2. 1 порядковый номер типоразмера,
3. 2 несущая способность,
4. 1 индекс, характеризующий конструктивные особенности.
Марка изделия, краткое наименование завода изготовителя, дата выпуска, отпускной вес в тоннах, печать ОТК должны быть обозначены на каждом изделии принятом техническим отделом производителя.
Материалы и производство
Крайние межколонные плиты МПК 1-4-1 должны изготавливаться с соблюдением всех стандартов и требований, прописанных в ГОСТ 2108-86. Качество изделий обеспечивается путем проведения систематического пооперационного контроля на всех стадиях производства. Основной материал плит тяжелый бетон с марками по прочности на сжатие в диапазоне от М250 до М500, по водонепроницаемости W4, по морозостойкости - F100, F150. Одним из важных показателей бетонной смеси проницаемость, он влияет на проникновение в него агрессивных веществ и влаги и принимается в конкретном проекте с учетом степени воздействия газовой среды на железобетон.
Армирование позволяет достичь особой прочности конструкциям за счет восприятия растягивающих напряжений. В качестве арматуры конструкций выступает термомеханически упрочнённая сталь класса АтIIIс или горячекатаная АIII. Готовые изделия подвергаются периодическим и приемосдаточным испытаниям на жесткость, прочность, трещиностойкость, оцениваются их внешний вид, линейные размеры в соответствии с ГОСТ 13015.0-83. Значения отклонений по геометрическим размерам, ширина раскрытия трещин не должны превышать допустимых параметров, прописанных в ГОСТ изготовления.
Хранение и транспортировка
Крайние межколонные плиты МПК 1-4-1 надлежит хранить в рабочем положении на оборудованных складах с опорой на деревянные прокладки. Не допускается производить действия, которое могут привести к повреждению арматурных выпусков и самих изделий.
Следует обеспечивать надежную фиксацию конструкций на транспорте, которая исключает их опрокидывание, поперечный и продольный сдвиг, взаимное трение.
Крайние межколонные плиты МПК 1-2-1 отзывы


