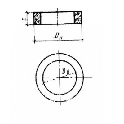
Размеры:
- Длинна: 840 мм.
- Ширина: 840 мм.
- Высота: 70 мм.
- Вес: 50 кг.
- ГОСТ, Серия: ГОСТ 8020-80 скачать
- Объем бетона: 0,02 м3
- Геометрический объем: 0,0494 м3
- Цена: договорная
Стандарт изготовления изделия: ГОСТ 8020-80
Кольцо опорное КЦО 1 (ГОСТ 8020-80) представляет собой высокопрочную железобетонную полую конструкцию цилиндрической формы с малой высотой (70 мм). Является звеном смотровых колодцев водопроводных и канализационных сетей. Применяется данное изделие для повышения уровня установки люка над поверхностью железобетонной крышки, предотвращая тем самым попадание дождевых и талых вод в колодец, наезда на него автомобильного транспорта в случаях нахождения колодца под проезжей частью. За счет высоких эксплуатационных показателей, легкости монтажа, невысокой цены и долгого срока службы опорные кольца получили широкое распространение при строительстве инженерных сетей.
Расшифровка маркировки
В соответствии с рабочими чертежами железобетонные конструкции именуются марками. Марки имеют вид буквенной и числовой системы, содержащие в себе основную информацию об изделии. Маркировка КЦО 1 (ГОСТ 8020-80) означает следующее:
1. КЦО - кольцо опорное;
2. 1 - индекс, указывающий типоразмер.
На наружной боковой поверхности опорного кольца помимо марки должны быть указаны: краткое наименование предприятия-производителя или товарный знак, дата выпуска, масса в кг, печать ОТК. Надписи надлежит наносить краской устойчивой к истиранию, перепадам температур и атмосферному увлажнению.
Материалы и производство
Кольца опорные КЦО 1 (ГОСТ 8020-80) следует изготавливать в соответствии со стандартами, закрепленными в ГОСТ 8020-80. Надежной основой им служит тяжелый бетон с маркой по прочности на сжатие М200. Марка бетона по морозостойкости и водонепроницаемости напрямую зависят от природно-климатических условий в области строительства и эксплуатационного режима, принимаются в каждом конкретном проекте, но не менее чем Мрз50 и В4 согласно требованиями СНиП II-31-74.
Каким бы не был прочный бетонный массив, со временем он подвержен разрушению, к появлению трещин. С этой задачей, за счет восприятия растягивающих напряжений, позволяет справиться армирование. В качестве арматуры колец запроектирована горячекатаная сталь класса АI, АII, АIII и обыкновенная холоднокатаная проволока ВI. Для удобства проведения погрузо-разгрузочных работ в теле плит предусмотрены строповочные петли, выполненные из стали класса АI или АII. Для защиты изделий от пагубного влияния коррозии, производителем должен быть предусмотрен комплекс мероприятий по их гидроизоляции.
Готовые изделия (пять процентов от конструкций, изготовленных в течение одних суток, но не менее 10 штук) подвергаются испытаниям по показателям прочности, жесткости, оцениваются так же их внешний вид, прямолинейность, геометрические размеры, положение арматуры. По итогам испытаний партия, или часть партии сопровождаются паспортами качества установленного образца.
Транспортировка и хранение
Готовые опорные кольца КЦО 1 (ГОСТ 8020-80) надлежит хранить на заранее спланированных площадках. Для того чтобы сохранить изделия в пригодном для эксплуатации состоянии и для правильного планирования пространства склада, следует устанавливать их в соответствии со схемами складирования, указанными в справочном приложении нормативного документа изготовления.
Подъем конструкций требуется проводить транспортом, оборудованным захватными устройствами, за предусмотренные для этого петли.
При перевозке к месту монтажа плитам на всем протяжении пути должна гарантироваться их полная неподвижность, исключающая опрокидывание, сдвиг и трение. В тех случаях, когда прочность бетона конструкций не достигла отпускной прочности, поставка потребителю не допускается.
Кольца опорные КЦО 1 (ГОСТ 8020-80) отзывы


