Размеры:
- Длинна: 4000 мм.
- Ширина: 1450 мм.
- Высота: 2650 мм.
- Вес: 6300 кг.
- ГОСТ, Серия: Серия 3.501.1-153 скачать
- Объем бетона: 2,52 м3
- Геометрический объем: 15,37 м3
- Цена: договорная
Стандарт изготовления изделия: Серия 3.501.1-153
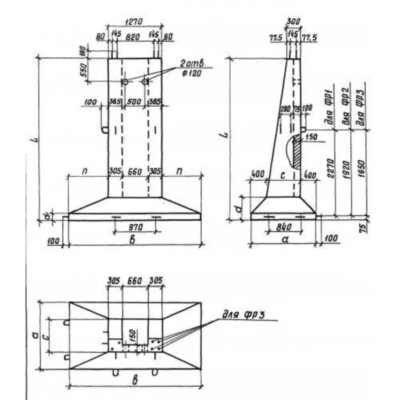
Фундамент раздельный ФР 1-2 это железобетонная конструкция, которая представляет собой трапецеидальную опору с расположенной на ней стойкой прямоугольной формы со скосом с одной стороны. Данные конструкции являются элементами сборного фундамента под металлические опоры контактной сети (анкерные ненаправленные, промежуточно направленные, с двухпутными консолями) с гибкими поперечинами. Такие строительные элементы запроектированы для районов с расчетной температурой воздуха до -40 градусов и ниже до -65 градусов (северное исполнение), с обычными грунтовыми условиями и с пучинистыми грунтами при глубине промерзания не более двух метров. Применение таких блоков для строительства фундаментов, гарантирует всему сооружению опоры надежность, прочность, продолжительный эксплуатационный срок.
Расшифровка маркировки изделия
Все железобетонные изделия имеют марки, которые должны соответствовать рабочим чертежам и выдерживаться в спецификациях к заказу, на заводе и самих изделиях. Рассмотрим маркировку ФР 1-2 подробнее:
1. ФР фундамент раздельный,
2. 1 порядковый номер конструкции,
3. 2 тип армирования.
Каждое железобетонное изделие, поставляемое потребителю, должно иметь маркировочные символы, которые несут в себе информацию о марке продукции, дате выпуска, массе, заводе - изготовителе. Наносятся надписи специальной краской, стойкой к воздействию атмосферных осадков, ультрафиолетовых лучей и низких температур.
Материалы и производство
Изготовление фундаментов раздельных ФР 1-2 должно осуществляться в заводских условиях в металлических опалубках с соблюдением требований и стандартов, установленных в Серии 3.501.1-153. Для их изготовления применяется тяжелый бетон с классом прочности на сжатие В15, В20, В25. Марки бетона по морозостойкости и водонепроницаемости принимаются в каждом конкретном проекте в зависимости от температуры наружного воздуха в зимний период и грунтовых условий в районе эксплуатации фундамента. Отпуск конструкций допускается при достижении бетоном не менее 70% от проектной прочности.
Бетонный массив, несмотря на свою прочность, не устойчив на излом и растяжение, поэтому для увеличения несущей способности блоков предусмотрено армирование. В качестве рабочей арматуры принимается стержневая термомеханически упрочненная или горячекатаная сталь периодического профиля класса АтIIIс, АII. Строповочные петли и конструктивная арматура выполняются из горячекатаной гладкой стали класса АI. В заказных спецификациях должны быть обговорены марка стали и вид защитного покрытия от коррозии.
В соответствии с ТУ 35-1022-85, готовые изделия подвергаются испытаниям на прочность, жесткость, трещиностойкость, по результатам которых сопровождаются документами о качестве.
Хранение и транспортировка
Готовые фундаменты раздельные ФР 1-2 следует складировать на специально оборудованных складах с ровной площадкой. При хранении конструкции должны опираться на деревянные подкладки, толщина которых не менее трех сантиметров.
Погрузо-разгрузочный комплекс работ должен осуществляться кранами с захватом за строповочные петли и отверстия с применением траверс.
Перевозятся данные блоки на четырёхосных универсальных платформах с использованием деревянных подкладок, прокладок и распорок. Транспорт должен быть оборудован крепежными и опорными устройствами для обеспечения полной неподвижности конструкций. При перевозке следует соблюдать правила и нормы, установленные на железнодорожном транспорте.
Фундаменты ФР 1-2 отзывы


