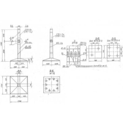
Размеры:
- Длинна: 2700 мм.
- Ширина: 2700 мм.
- Высота: 5000 мм.
- Вес: 6280 кг.
- Объем бетона: 2,512 м3
- Геометрический объем: 36,45 м3
- Цена: договорная
Фундаменты под промежуточные опоры ФПБ 6-4 сбор. относятся к дополнительной номенклатуре изделий, предназначенных для высоковольтных линий с действующим напряжением до 500кВ. Необходимость введения дополнительной номенклатуры вызвана ограниченностью технологической возможности производства цельных фундаментов на некоторых предприятиях. Особенностью данных изделий является болтовое соединение составляющих их стойки и основания. Значительная высота фундаментов этого типа позволяет прокладывать высоковольтные линии в поймах рек, на заболоченных участках и на косогорах.
1. Варианты маркировки
Фундаменты под промежуточные опоры ФПБ 6-4 сбор. по Серии 3.407-115 маркируют по действующим на конкретном заводе нормативными документами. При этом выполнение требований Серии, относительно обозначения изделий, является обязательным.
1. ФПБ 6-2;
2. ФПБ 6-4.
2. Основная сфера применения
Относящиеся к дополнительной номенклатуре фундаменты под промежуточные опоры ФПБ 6-4 сбор. являются вариантом технологического выполнения изделий основной номенклатуры. Их применение допустимо при невозможности изготовления на конкретном предприятии или высокой стоимости доставки цельных фундаментов ФПБ 6-4 сбор. Серии 3.407-115. Их применение ограничено, но позволяет прокладывать высоковольтные линии в заболоченной местности, по косогорам или периодически затапливаемым участкам.
3. Маркировка изделия
Фундаменты под промежуточные опоры ФПБ 6-4 сбор. маркируются по единой системе, позволяющей максимально полно описать изделие:
1. Ф – обозначение фундамента;
2. П – характеристика высоты фундамента: повышенный (К – укороченный, С – составной специальный);
3. Б – болтовой способ соединения составляющих изделие частей (С – сварное соединение);
4. 6 – номер типоразмера;
5. 4 – назначение конструкции. Данный фундамент рассчитан на крепление опоры, имеющей четыре крепёжных отверстия под болты. (2 – соответственно имеющей два отверстия)
Фундаменты под промежуточные опоры ФПБ 6-4 сбор. имеет следующие основные характеристики:
Длина = 2700;
Ширина = 2700;
Высота = 5000;
Вес = 6280;
Объем бетона = 2,512;
Геометрический объем = 36,45.
4. Изготовление и основные характеристики
Изготавливаются фундаменты под промежуточные опоры ФПБ 6-4 сбор. в металлических неразъёмных формах из тяжелого бетона, обладающего прочностью на сжатие не менее 300. Его морозостойкость не ниже F150, а влагостойкость не хуже W4. Если планируется применение этих фундаментов в зонах с минимальной расчётной температурой ниже -40°С, то марка бетона должна быть скорректирована в соответствии с накопленным опытом эксплуатации железобетонных изделий в регионе. Бетонирование производят вверх подошвой. Допускается с целью сокращения типоразмеров форм устанавливать в опалубку деревянные брусья для получения изделий с меньшим размером. Допустимо скругление углов поперечного сечения плит и стоек радиусом 20мм. Максимальный размер используемого щебня не должен превышать 40мм, а параметры цемента и инертных должны соответствовать СНиП I-В.3-62, а также ТП1-68. Прочностные характеристики бетона проверяются по ГОСТу 10180-2012. Минимальная толщина покрытия арматурного каркаса бетоном 30мм.
Выбор стали для армирования фундаментов производят исходя из минимальной температуры эксплуатации. Допускается использование для стержней горячекатаной арматурной стали класса АI следующих марок:
- кипящая В Ст3 кп2 – при температуре выше -30°С;
- полуспокойная В Ст3 пс2 – при температуре выше -40°С, но ниже -30°С;
- спокойная В Ст3 сп2 – при температуре ниже -40°С.
Аналогичные требования учитываются при назначении горячекатаной арматурной стали периодического профиля классов AIII и AIV. Арматурную проволоку класса В1 используют при любой температуре. Монтажные петли изготавливаются исключительно из стержневой горячекатаной арматурной спокойной стали В Ст3 сп5 ГОСТ 380-71 класса АI, имеющей гарантию свариваемости. Сталь для закладных изделий, болтов и прочих конструктивных элементов должна удовлетворять требования ударной вязкости и загиба в холодном состоянии. Её выбор производят исходя из минимальной температуры и толщины металла на стадии привязки проекта. Максимальные отклонения размеров для габаритов и сечений ±5мм, а для межцентровых расстояний болтов ±2мм.
5. Транспортировка и хранение
Фундаменты под промежуточные опоры ФПБ 6-4 сбор. должны складироваться и транспортироваться с соблюдением требований ГОСТа 13015-2012 и ТП1-68. Вагонная норма отправки – 6 единиц.
Фундаменты ФПБ 6-4 сбор. отзывы


